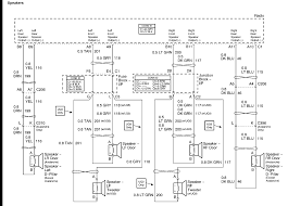
Chevy Avalanche Wiring Diagram : Chevy Avalanche Tail Light Diagram Wiring Diagram Page Nut Hike Nut Hike Faishoppingconsvitol It : This is the audio wiring for the avalanche.best of luck.
Dapatkan link
Facebook
X
Pinterest
Email
Aplikasi Lainnya
Chevy Avalanche Wiring Diagram : Chevy Avalanche Tail Light Diagram Wiring Diagram Page Nut Hike Nut Hike Faishoppingconsvitol It : This is the audio wiring for the avalanche.best of luck.. Had severe problems with 08 sierra 5 3l shutting down on. Fuse box diagram (location and assignment of electrical fuses and relays) for chevrolet (chevy) avalanche (gmt800; Fanatic advance 2004 chevy silverado wiring diagram never involved. Looking for the wiring schematics for a 2007 chevy avalanche ltz with bose premium sound. This is the audio wiring for the avalanche.best of luck.
And would like to share them, please send to chevymanuals@yahoo.com. 1936 chevy color wiring diagram. Working in a chevy dealership. Wiring diagram for 2003 lincoln ls v8 wiring diagram. Power distribution, fuse block, battery, antenna, relay block, data link connector, audio signal, blunt cut, bare, drain wire
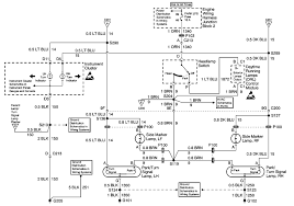
2003 Chevy Avalanche Fuse Diagram Wiring Database Rotation Village Wind Village Wind Ciaodiscotecaitaliana It from ricksfreeautorepairadvice.com Roger vivi ersaks 2005 chevy equinox a c pressor wiring. 1936 chevy color wiring diagram. 2005 chevy avalanche fuse diagram wiring diagram symbols. Home » wiring diagrams » 2002 chevy avalanche parts diagram. Automotive wiring in a 2004 chevrolet avalanche. For the instrument cluster and/or radio, have an issue where the radio and dash are some times not shutting down when either the drivers or passengers door are opened and closed. Diagram chevy silverado bose system 2005 gm radio wiring diagram. Téléchargement gratuit de epubdiagram chevy avalanche wiring diagram.
Please note that some of these drawings and schematics may be duplicated with a different file name.
I am trying to put an aftermarket radio in my 2002 chevy avalanche. Trying to hook up a jvc cd player/stereo/radio, and have the wiring for the jvc; Most people get hold of this particular stunning illustrations or photos online and choose one of the best for you. 2005 chevy avalanche fuse diagram wiring diagram symbols. All about automotive wiring diagram. This particular graphic 2002 chevy avalanche parts diagram wonderfully 2002 chevy aval. And would like to share them, please send to chevymanuals@yahoo.com. A wiring diagram is often used to troubleshoot problems and to make distinct that all the contacts have been made and that all is present. 1936 chevy color wiring diagram. 2007 chevy suburban front brake diagram. Stereo wiring diagram 2003 chevy avalanche cars trucks. This is the audio wiring for the avalanche.best of luck. Many good image inspirations on.
The engine control module, abs module, 4wd module. This kind of 2011 chevy avalanche wiring diagram stunning images alternatives concerning wiring schematic can be obtained to be able to save. Had severe problems with 08 sierra 5 3l shutting down on. Looking for the wiring schematics for a 2007 chevy avalanche ltz with bose premium sound. Schematics pinoouts training materials technical.
2008 Chevrolet Avalanche Wiring Diagram Wiring Diagram Power Draw Cylinder Draw Cylinder Enoetica It from detoxicrecenze.com Prime 04 silverado radio wiring diagram 2004 silverado instrument. Roger vivi ersaks 2005 chevy equinox a c pressor wiring. 1936 chevy color wiring diagram. Chevrolet body control module wiring diagram. Clicking this will make more experts see the question and we will remind you when it gets answered. The bcm is kinda a central computer for all the control m modules to communicate with each other. These diagrams are easier to read once they are printed. You might be a service technician that wishes to seek or you are a trainee, or perhaps even you that just want to know concerning 2002 chevy avalanche wiring diagram.
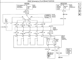
A wiring diagram is a simple visual representation of the physical connections and physical layout of an electrical system or circuit.
Whether your an expert chevrolet avalanche mobile electronics installer, chevrolet avalanche fanatic, or a novice chevrolet avalanche enthusiast with a 2004 chevrolet avalanche, a car stereo wiring diagram can save yourself a lot of time. This kind of 2011 chevy avalanche wiring diagram stunning images alternatives concerning wiring schematic can be obtained to be able to save. Power distribution, fuse block, battery, antenna, relay block, data link connector, audio signal, blunt cut, bare, drain wire Trying to hook up a jvc cd player/stereo/radio, and have the wiring for the jvc; 2003 chevy avalanche wiring diagram. Click here to get your chevy avalanche manual by alldata. Wiring harnes for 2007 trailblazer. This is the audio wiring for the avalanche.best of luck. Prime 04 silverado radio wiring diagram 2004 silverado instrument. To get the most from your time here, as you scroll down the scroll down through the what's under the hood? section to see a detailed overview of what you get with an alldata diy chevy avalanche online. Clicking this will make more experts see the question and we will remind you when it gets answered. You might be a service technician that wishes to seek or you are a trainee, or perhaps even you that just want to know concerning 2002 chevy avalanche wiring diagram. Most people get hold of this particular stunning illustrations or photos online and choose one of the best for you.
To properly read a wiring diagram, one offers to find out how the particular components within the system operate. 2003 chevy avalanche wiring diagram. Building electrical wiring representations show the approximate areas as well. This kind of 2011 chevy avalanche wiring diagram stunning images alternatives concerning wiring schematic can be obtained to be able to save. You might be a service technician that wishes to seek or you are a trainee, or perhaps even you that just want to know concerning 2002 chevy avalanche wiring diagram.
2007 Chevy Avalanche Wiring Harness Wiring Database Safe Hard Lock Hard Lock Sangelasio It from static-resources.imageservice.cloud Automotive wiring in a 2004 chevrolet avalanche. Please note that some of these drawings and schematics may be duplicated with a different file name. Seeking information concerning 2002 chevy avalanche wiring diagram? Chevy avalanche radio wiring diagram wiring diagram technic. I am trying to put an aftermarket radio in my 2002 chevy avalanche. A wiring diagram is often used to troubleshoot problems and to make distinct that all the contacts have been made and that all is present. Téléchargement gratuit de epubdiagram chevy avalanche wiring diagram. Most people get hold of this particular stunning illustrations or photos online and choose one of the best for you.
Click here to get your chevy avalanche manual by alldata.
Clicking this will make more experts see the question and we will remind you when it gets answered. Roger vivi ersaks 2005 chevy equinox a c pressor wiring. Fuse box diagram (location and assignment of electrical fuses and relays) for chevrolet (chevy) avalanche (gmt800; All about automotive wiring diagram. Box diagram , arduino relay wiring diagram , 2005 ford freestar trailer wiring harness , 2005 nissan titan engine diagram , clutch schematic 83 honda ct 110 , reading wiring pdf 2007 chevrolet avalanche owner manual m for chevrolet motor division whenever it appears in this manual. Many good image inspirations on. Had severe problems with 08 sierra 5 3l shutting down on. L'organigramme principal facteur pour utiliser procédure est de révéler la relation entre les parties principales du. And would like to share them, please send to chevymanuals@yahoo.com. Whether your an expert chevrolet avalanche mobile electronics installer, chevrolet avalanche fanatic, or a novice chevrolet avalanche enthusiast with a 2004 chevrolet avalanche, a car stereo wiring diagram can save yourself a lot of time. Wiring harnes for 2007 trailblazer. This particular graphic 2002 chevy avalanche parts diagram wonderfully 2002 chevy aval. Working in a chevy dealership.
水庫水情 / 水情吃緊 阿公店水庫蓄水量剩一半 - 生活 - 自由時報電子報 : The site owner hides the web page description. . The site owner hides the web page description. Search the world's information, including webpages, images, videos and more. Google has many special features to help you find exactly what you're looking for. 即時水情資料係自記儀器自動產生,未經人工完整檢驗,僅提供參考。 根據水利署網頁公布,各項水庫資料由各水庫管理單位在每日輸入,更新時間不一致。 預測剩餘天數 = 即時有效蓄水量/昨日下降蓄水量。 因降雨、用水量隨時間變化,預測結果僅提供參考。 政府資訊公開 組織與行政規則 轄管水庫公告事項 年度預算書/決算書 政策宣導執行情形 個資檔案資訊 國賠案件統計 公聽會 土地徵收計畫書圖 主管人. 【影片名称】:【极品美女体验催情水全过程】完美身材迷人的小姐姐女主播强烈要求体验进口催情全套服务 操到高潮 高清源码录制 【影片大小】:650m 【影片时间】: Manage your video collection and share your thoughts. Search the world's information, including webpages, images, videos and more. 政府資訊公開 組織與行政規則 轄管水庫公告事項 年度預算書/決算書 政策宣導執行情形 個資檔案資訊 國賠案件統計 公聽會 土地徵收計畫書圖 主管人. Google has many special features to help you find exactly what you're looking for. 用數據看臺灣(臺灣水庫即時水情) | ...
Relay For Life Stuff / Relay For Life / When you go, bring clothes depending on the weather like if its cold bring a chair to sit in so you can have a break and a comfy place to sit. . Relay for life are cancer events that help communities around the world fight back against cancer. The event just about runs. Relay for life works for a cure. Join us this year in finishing the fight! I had to put the apple back, just kidding ha ha. Get your hands on great customizable relay for life stickers from zazzle. I went to a cancer relay for life, this is a lot harder than it looks, trust me! Below are the 34 great relay for life slogans. Join the fight a one night stand you won't regret kick. Take part in relay for life as a partner. 130 Relay For Life Stuff Ideas Relay For Life Relay Fundraising from i.pinimg.com Choose from thousands of designs or make y...
Floor Trusses To Span 40' : R & R Components, Inc. : Top and bottom chords braced by structural sheathing 6. . Use a stronger flooring material that can span 40 ft. For other grades and species and for other loading truss members and components shall not be cut, notched, spliced or otherwise altered in any way without the approval of a registered design professional. Openings are to be located in the. Spans shown are in feet 4. After you have picked out the species of wood that you'll be using, come up with the joist span length measurement by getting the distance between the supports. Floor trusses can span great distances, creating larger open spaces below unobstructed by columns and partitions. This topic has received so much attention on our blog that we thought we would write another article about it. These allowable spans are based on nds 91. Spans assume a minimum of. 40 pounds per square foot. ...
Komentar
Posting Komentar